Da ist er ja - der voll digitagle Transceiver!
Ich beschäftige mich seit vielen Jahren mit der Entwicklung digitaler Schaltungen und Hochfrequenztechnik und natürlich auch mit Mikroprozessoren und deren Programmierung. Seit einigen Jahren beschäftige ich mich auch mit "Software Defined Radio" also kurz SDR in den verschiedensten Varianten. Ich habe so ziemlich alle Spielarten aufgebaut und probiert, aber die "Königsdiziplin", einen direkt an der Antenne arbeitenden DDC (Direct Digital Conversion) SDR habe ich mir bislang aus Aufwandsgründen verkniffen.
Durch die hervorragenden Vorarbeiten von N2ADR und dem zur Verfügung stellen aller Quellen von Hardware und Software hat N2ADR (James Ahlstom) eine Basis geschaffen, die es leicht macht den Einstieg zu schaffen. Nach dem Studium der Unterlagen und intensivem Durcharbeiten der entsprechenden Datenblätter war für mich der Entschluss gefasst, den DDC-SDR nach N2ADR zu bauen. Allerdings wollte ich das Layout von N2ADR nicht verwenden, da es - wie er auch selbst schreibt - noch verbesserungswürdig ist. Da ich bereits viele Jahre professionelle Leiterplattenlayouts erstelle und mir alle entsprechenden Werkzeuge zur Verfügung stehen war die Hemmschwellle nicht besonders groß, diese Herausforderung anzunehmen.
Vor allem freute ich mich darauf, die Abläufe im FPGA und in Verilog zu verstehen um ggfs. Anpassungen
vornehmen zu können. James, N2ADR hat die Verilog-Sourcen sehr gut dokumentiert, so dass es mit gutem Programmiererfahrung, in der Programmiersprache "C" und ein paar rudimentären mathematischen Schulkenntnissen nicht allzu schwierig ist, sich in Verilog und die Logik im FPGA einzuarbeiten. Natürlich muss man das nicht unbedingt, wenn man den Digitaltransceiver nur einfach nachbauen will, aber es hift natürlich schon etwas, zu verstehen wie das ganze "zusammenspielt".
Die Schaltung entsteht...
Um ein neues Layout zu fertigen ist erstmal die Aufnahme der bestehenden Schaltung in das Layoutprogramm sicherzustellen. Da ich mit der Software "Target 3001 professional" seit vielen Jahren erfolgreich Layouts erstelle, übernahm ich die Schaltung von N2ADR in das Programm. Allerdings hatte N2ADR alle Stromversorgungsleitungen (und das sind eine ganze Menge!) nicht wie heute üblich als Label erstellt sondern jede Leitung tatsächlich auch gezeichnet. Leider ist das der Übersichtlichkeit extrem abträglich weil in den ganzen Versorungsleitungen die eigentlichen Signalleitungen fast untergehen.
So blieb nichts anderes übrig als die gesamte Schaltung neu zu zeichnen und die Versorgungsleitungen umzuzeichnen. Die wichtigste Änderung betrifft die Platine selbst: Ich habe das Layout als 4-Lagen Mulilayer vorgesehen. Das Originallayout, wie auch die Nachbauten von DL7LA und DL7IY, sind auf einer zweilagigen Leiterplatte untergebracht. Das ist prinzipiel kein Problem, da die Schaltung an sich nicht besonders komplex ist und man aus diesem Grunde alleine keine Multilayerplatine benötigen würde.
Allerdings werkelt das FPGA, der ADC und der DAC mit einer Taktrate von fast 123 MHz vor sich hin und benötigt zur Stromversorgung vier bzw. sechs Versorgungsspannungen, die teilweise mit erheblichen Stromspitzen von Kapazitätsumladungen im Multi-MHz-Bereich beaufschlagt sind. Dies erfordert die umfangreiche Verwendung von Stüz- bzw. Abblockkondensatoren sowie eine entsprechend großzügige Auslegung der Leiterbahnbreiten der Stromversorgung, beides Dinge die den eigentlichen Signalbahnen meist im Weg stehen.
Bei einem Multilayer-Layout ist dieses Problem deutlich entspannt, da man die Stromversorgung in die nnenlagen verlegen kann und so keine Kompromisse in der Leitungsführung eingehen muss.
Auch in meinem Layout sind 98% aller Signalbahnen auf der Ober/Unterseite, die Innenlagen sind fast ausschliesslich für die Stromversorgung vorgesehen. Die ADC und DAC-Teile haben separate Masse-Flächen, die an einem zentralen Punkt an die gemeinsame Massefläche angeschlossen wird.

Die Stromversorgung
Es ist eigenltich wie beim Essenkochen. "Du bist was du Isst" ist ein bekannter und wahrer Spruch.
Das ist natürlich auch in der Elektronik so, nur dass hier das "Essen" die Stromversorgung ist.
Ich habe bewusst auf eine möglichst "störgeräuscharme" Stromversorgung Wert gelegt, auch wenn die dazu notwendigen Regler ein paar Euro mehr kosten als die Spannungsregler aus dem Elektronik-Supermarkt.
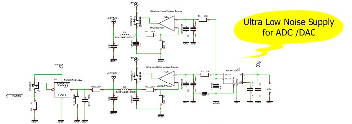
Besonders die Stromversorgung des Eingangsteiles, des ADC und der Takterzeugung, aber auch die des DAC werden durch zwei spezielle Ultra-Low-Noise Schaltungen erzeugt.
Wenn man sich Störsignale bereits in der Stromversorgung erzeugt, braucht man sich über entsprechend schlechte Resultate nicht wundern. Normale Spannungsregler a´la 7805 z.B. sind eigentlich getarnte Rauschgeneratoren!
Manche Schaltungsteile dürfen erst eingeschaltet werden, wenn andere Spannungen anliegen, besonders die Versorgung des ADC ADS5500 muss in einer bestimmten Sequenz angelegt werden um Latch-Up-Effekte zu vermeiden.

In diesem Schaltplanauszug sieht man die Versorgung des HiQTRX. Im oberen Teil sind die beiden besonderen Versorgungen des ADC und des DAC-Teils abgebildet. Die Referenzspannung wird durch eine Ultra-Low-Noise-Referenz von MAXIM erzeugt und durch einen RC-Tiefpass gefiltert. Ein nachfolgender Operationsverstärker mit einem PMOS-FET bildet die Regelschleife und sorgt für die notwendige Leistung. Die Schaltung entstammt einer Applikation von MAXIM, dort wird ein Rauschsignal von weniger als 6nV/Hz (1kHz) angegeben. Ich habe diese Art der Versorgung kritischer Schaltungsteile schon einige Male angewandt und immer mit sehr gutem Erfolg!
Im linken oberen Teil sieht man den Spannungssequenzer. Er besteht aus einem Schmitt-Trigger mit nachfolgender PMOS-Schaltstufe, die erst bei vollständigem Anliegen der 3.3V ADC-Spannung und einer kleinen Verzögerung durchsteuert und die Enable-Eingänge der restlichen Spannungsregler freigibt.
Im unteren Teil sieht man die Low-Noise-Spannungsregler, die - teilweise aus den anderen Reglern - stabilisierte Spannungen für die Schaltung zur Verfügung stellen. Deutlich sieht man auch die vieeeelen Abblockkondensatoren, die für die Pufferung bei kurzen Strompulsen des FPGA sorgen. Diese Abblockkondensatoren sind großteils auf der Rückseite der Platine, direkt neben den entsprechenden
Anschlussbeinchen des FPGA angebracht. Ebenfalls ist deutlich die nochmals gefilterte bzw. gesiebte Spannungsversorgung für den PLL-Teil des FPGA zu sehen. Die Einspeisung der externen Versorgung erfolgt über eine stromkompensierte Drossel und zwei Pufferelko's um Beeinflussungen von außen zu minimieren.
Der Eingangsbereich
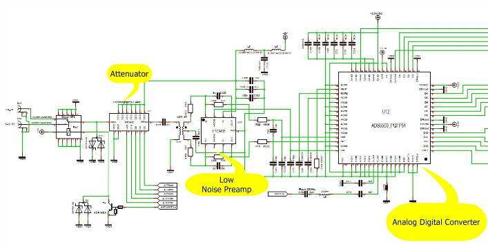
Der Eingangsteil des N2ADR wurde um einen programmierbaren Abschwächer erweitert. Dieser Abschwächer kann vom FPGA aus umgeschaltet werden. QUISK in der Standardversion kann den Abschwächer natürlich nicht ansteuern, aber die dafür notwendige Softwareerweiterung ist nicht allzu aufwendig. Ebenfalls sieht man auf der linken Seite das zusätzliche HF-Umschaltrelais, mit dem der RX-Eingang umgeschaltet werden kann. Das hat den Vorteil, dass man etnweder zwei Eingänge wählen kann oder aber man benutzt dieses Feature um im abgeschalteten Zustand den Empfängereingang zu schützen. Dazu muss man nur einen kleinen 50 Ohm SMA Abschlußwiderstand auf den AUX-Eingang schrauben.

Der TX-Bereich
Der Sendeteil des HiQTRX ist weitgehend unverändert übernommen. Die Stromversorgung des ADC und des Masteroszillators kommt jedoch ebenfalls aus einer Ultra-Low-Noise-Versorgung und haben - wie der ADC-Teil auch - eine eigene Massefläche, die nur an einem Punkt mit der gemeinsamen Massefläche verbunden ist.
Um ein wenig mehr Spielraum bei der Gestaltung der nachfolgenden Leistungsstufen zu haben, wurde ein Breitband-MMIC nachgesetzt, der mit einer maximalen Ausgangsleitung von 18dBm (bei 1dB Kompression) aufwarten kann. Hier wurde nicht besonderer Augenmerk auf Leistung gelegt sondern auf Signalqualität, denn das Signal soll ja noch weiter in nachfolgenden Stufen verstärkt werden.
Hier kann - je nach Bedarf entweder ein MMIC BGA614 oder ein BGA616 (Infineon) eingesetzt werden. Die Ausgangsleistung lässt sich über die Software QUISK so in weiten Bereichen der nachfolgendsen Endstufe anpassen.
Das Layout
Die vier Lagen des Multilayer sind in den nachstehenden Bildern gezeigt. Fast die gesamte "Verdrahtung" ist auf der TOP-Lage untergebracht. Die Innenlagen dienen fast ausschließlich der Stromversorgung. Alle Teile die Wärme abgeben, sind über alle Lagen mit großen Flächen verbunden. Die Kühlung der Regler erfolgt durch ein auf der Rückseite (Bottom Layer) angebrachten dicken, mit einer Kapton-Folie isolierten Aluminium-Platte, die wiederum direkt mit Schrauben M2.5 auf die Montagefläche geschraubt werden kann.
Die entsprechenden Zeichnungen findet sich nachstehend. (Klicken zum vergrößern).
Top Layer (Bestückungsseite)

Bottom Layer (Unterer Aussenlayer)

Innenlayer 1

Innenlayer 2

Die Platine

Der Aufbau

Der Aufbau erfolgt in SMD-Technik, vorwiegend mit Bauteilen in der Größe 0603. Die Lötpads der Bauelemente wurden gegenüber der Standardgröße jedoch bewußt etwas größer gehalten, um eine komfortable Handbestückung zu ermöglichen. Auch der große 240-Beiner, das FPGA lässt sich problemlos mit der Hand löten, es ist eher ein Sache der Geduld als ein unlösbare Aufgabe. Ein Lötanfänger sollte sich allerdings der Hilfe eines Lötprofis versichern oder gleich das fertig bestückte und geprüfte HiQSDR-Modul wählen...
Weitere Informationen findet man auch unter www.technologie2000.de oder auf den Projektseiten www.hiqsdr.de
Zur Wärmeableitung ist auf der Rückseite ein Heatspreader (Wärmeverteiler) angebracht:

Messresultate
Die Messresultate können sich durchaus sehen lassen, wie die nachfolgenden Diagramme belegen:
Weitere Messungen und Informationen finedn sich auch unter www.hiqsdr.de


Nebenwellenfreiheit >90 dB rund um das CW-Nutzsignal sind auch nicht zu verachten.
Intersssant ist in diesem Zusammenhang auch, dass der HiQTRX praktisch keine "Birdies" aufweist bzw. die wenigen Stellen an denen man einen "Birdie" erahnen kann, kleiner als -115dB sind.
Dieses im ersten Moment verblüffende Ergebnis ist aber leicht zu verstehen, wenn man sich die Signalverarbeitung ansieht. Die interne Verarbeitung geschieht ja im FPGA rein digital und mit einer Haupttaktrate von 122.88 MHz und dies stellt auch den "niedrigsten" Takt dar der auf der Baugrauppe nach "aussen" arbeitet, Alle anderen intern generierten langsameren Takte die "Birdies" hervorrufen könnten werden ausschließlich im FPGA verarbeitet und nicht nach aussen geführt. Das FPGA wiederum ist optimal mit Kondensatoren verblockt und alle Speisespannungen mehrfach gefitert. Alle Spannungsregler sind ausgesprochene "Ultra-Low-Noise"-Typen.
Das vierlagige Multilayer-Layout der Platine und die konsequente Trennung der Masseflächen sind ebenfalls
Vorraussetzung für dieses gute Ergebnis.
Wie geht es weiter?
Das ProjekDas Projekt HiQSDR wird einen kompletten, praxistauglichen voll digitalen DDC/DUC- Amateurtransceiver ergeben. Die nächste Baugruppe, der Preselektor und eine QRP-PA oder
PA mit einer Leistung von 1Watt oder 10 Watt (MPPA) ist bereits fertig und verfügbar.
Durch die neue Firmwareunterstützung (version >1.3) des VNWA-Modus wird der HiQSDR der erste digitale
Transceiver sein, der seine angeschlossenen Antennen durch einen integrierten Vector-Netzwerkanalyseteil
(wahlweise mit Smith-Diagramm oder X/Y VSWR / Anpassung / Phasenverlauf) im gesamten Arbeitsbereich
darstellen kann. Eine kleine optionale Messbrücke, die ebenfalls über die Software geschaltet werden kann ermöglicht dieses einzigartige Feature zusammen mit der Firmwareerweiterung V1.3 von N2ADR,
Danke für deine umfangreiche Unterstützung Jim!
Ebenfalls kann der HiQSDR-Transceiver als "Spektrumanalyser" einen kompletten Bandüberblick
bis zu ca. 30kHz bis 62MHz in einem oder in Ausschnitten davon als komplettes Wasserfalldiagramm
aufzeichnen und darstellen, so dass auch Bandausbreitungsmessugnen möglich sind.
Dabei ist durch eine Kalibrier/Normierfunktion Messgerätequalität leichtzu erreichen!
Dieses nette Feature haben wir Stefan, DL2STG zu verdanken, auch dir dafür vielen Dank!
Weitere Informationen und Kits sind erhältlich über Technologie 2000 GmbH